DRZ - Forum

Das Forum von www.DRZ400S.de
Aktuelle Zeit: 07.01.2026 21:14

Alle Zeiten sind UTC + 1 Stunde [ Sommerzeit ]




Ein neues Thema erstellen Auf das Thema antworten  [ 2 Beiträge ] 
Autor Nachricht
 Betreff des Beitrags: tacho
BeitragVerfasst: 23.04.2017 16:43 
Offline
DRZ-Junior

Registriert: 15.07.2008 18:37
Beiträge: 31
Wohnort: Heidenheim
hallo
ich habe erfolgreich einen sigmatacho verbaut. so richtig happy macht mich das ding aber nicht. regnet es, steht jemand sabbernd vor dem moped oder hat eine feuchte aussprache säuft mir der tacho ab( ist halt nur wassergeschützt und nicht wasserdicht) beleuchtet isser ja auch nicht. und nun liegt der origilaltacho rum, sieht verteufelt gut aus,würde leuchten und und und.........an welchen stecker vom rmx-tacho geht denn das kabel vom vorderradsensor? müsste der weiße stecker sein oder. wie bereits erwähnt fehlt bei mir der komplette sensor. ich möchte jetzt mal einen aktivsensor aus dem zubehör probieren. bei mir ist so ein schwarzer 3-fach-stecker( geht in den kabelbaum) ein schwarzer 4-fach-stecker der allerdings stillgelegt und mit isoband umwickelt ist, und dann eben dieser weiße 3-fach-stecker , der auch kein gegenstück am kabelbaum hat. somit vermute ich hier gehört der sensor dran. hat denn niemand einen schaltplan von der rmx???

gruß flo


Nach oben
 Profil  
Mit Zitat antworten  
 Betreff des Beitrags: Re: tacho
BeitragVerfasst: 30.04.2017 11:04 
Offline
Moderator
Benutzeravatar

Registriert: 08.03.2005 22:10
Beiträge: 2298
Wohnort: Hameln
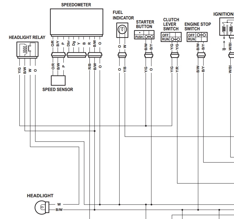
Moin!

Hier ist mal ein Schaltplan für dich.

Gruß Gunther


Dateianhänge:
RMX2.jpg
RMX2.jpg [ 115.64 KiB | 4477-mal betrachtet ]
RMX.jpg
RMX.jpg [ 217.31 KiB | 4476-mal betrachtet ]
Nach oben
 Profil  
Mit Zitat antworten  
Beiträge der letzten Zeit anzeigen:  Sortiere nach  
Ein neues Thema erstellen Auf das Thema antworten  [ 2 Beiträge ] 

Alle Zeiten sind UTC + 1 Stunde [ Sommerzeit ]


Wer ist online?

Mitglieder in diesem Forum: 0 Mitglieder und 1 Gast


Du darfst keine neuen Themen in diesem Forum erstellen.
Du darfst keine Antworten zu Themen in diesem Forum erstellen.
Du darfst deine Beiträge in diesem Forum nicht ändern.
Du darfst deine Beiträge in diesem Forum nicht löschen.
Du darfst keine Dateianhänge in diesem Forum erstellen.

Suche nach:
Gehe zu:  
cron
Powered by phpBB® Forum Software © phpBB Group
Deutsche Übersetzung durch phpBB.de